新一代交流电机控制更精确。
内容简介:在交流电机中,只有定子电流受到直接控制。转子通常使用永磁体来提供其领域。这意味着通量和扭矩依赖于相同的电流。但是,面向场的控制提供了几乎独立操纵它们的能力。实际上,定子磁通被动态地控制以提供独立操纵转矩的能力。
到2035年,全球每年将消耗超过35万亿千瓦小时的电力,从2015年的不足21万亿千瓦时增加到现在所需的近三分之一的电能,用于工业生产。这些电机中的许多都基于简单的交流电设计,因为它们成本相对较低并且易于驱动。在能源使用方面它们的效率也很低,特别是在低速情况下。但是,这种交流电机本质上并不浪费。采用正确的电子控制形式,其效率可以显着提高。使用当今可用的控制技术,可以将给定工作水平的能耗降低多达60%。
目前使用的最简单的控制技术是每赫兹伏特。这在概念上既简单又容易在基本的微控制器上实现。核心算法充分利用了交流电机设计的核心特性。每个电机都有一个特性磁化电流和一个最终的磁通量和转矩。这些属性通过伏特每赫兹比率相关。电机通过布置在移动转子周围的定子线圈的转换来转动机械负载。线圈之间的切换迫使转子的磁化元件同情地转动到磁场保持平衡的稳定状态。
线圈切换频率的增加反过来会提高速度。但是,如果供应的电能没有相应增加,则施加的转矩会下降。伏特每赫兹的控制提供了一个简单的方法来解决这个问题,通过增加线路电压来提高频率,使扭矩可以保持在一个恒定的水平。不幸的是,这种关系在低速下不是特别一致。需要更高的电压以在低速下保持高转矩,但效率下降并增加了线圈饱和和过热的可能性。
磁场定向控制提供了一种优化电机控制的方法,特别是在低速情况下,并且还可以使电机的定位控制更精确。这增加了整个交流电机的应用范围,这有助于降低工业机械的成本以及运营成本。
在磁场定向或磁通矢量控制中,速度和扭矩之间的关系由伏特每赫兹控制所打破。磁场定向控制的思想可以用直流电机的模型来表达,其中提供给定子和转子的电流是独立的。在这个模型中,扭矩和产生的流量可以独立控制。由电流产生的电机组内部的场强决定了磁通量。提供给转子中的电磁线圈的电流控制转矩 - 当磁场试图使自己进入稳定状态时。
直流电动机在转子上使用换向器,该换向器执行控制定子上的哪些线圈在任何时间都被激励的工作。换向器的设计使得电流切换到机械对齐的绕组,从而在该点产生最大转矩。结果,绕组的管理方式使得磁通量变化,以保持转子绕组与定子中产生的磁场正交。
在交流电机中,只有定子电流受到直接控制。转子通常使用永磁体来提供其领域。这意味着通量和扭矩依赖于相同的电流。但是,面向场的控制提供了几乎独立操纵它们的能力。实际上,定子磁通被动态地控制以提供独立操纵转矩的能力。通常,定子线圈可以被驱动,以便它们或者产生转矩或者沿着定子轴施加力,这是一种不影响旋转的模式。这些方向分别是正交轴和直接轴。为了运动,每个线圈依次被驱动以产生高正交力。
几个数学变换被用来提供改变电流和电压的能力来解耦扭矩和通量。在磁场定向控制下,流过定子不同部分的电流由矢量表示。矩阵投影将三相时间和速度相关系统转换为两个坐标时间不变系统。通常使用分别表示通量和转矩分量的符号d和q来描述坐标。在(d,q)参考系中,施加的转矩与转矩分量呈线性关系。
在磁场定向控制下,从电机接收电信号并将其结合到(d,q)坐标模型中。该模型通常相对于转子进行计算,使得计算所需流量更加容易。用于计算的典型方法是对Clarke和Park变换进行配对。
克拉克变换将来自不同相位的电流(通常为三个),并用它们来估计笛卡尔坐标系中的电流。这些系统的轴使用符号α和β而不是传统的x和y来减少与空间坐标系混淆的可能性。然后将这些应用于Park变换以提供在旋转(d,q)坐标系中看到的当前矢量。三角函数提供了转换的核心,需要使用微控制器或数字信号处理器(DSP)。
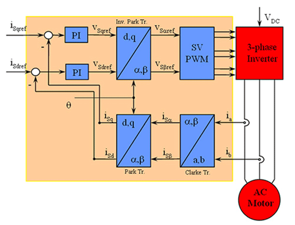
通过Clarke和Park变换,(d,q)空间中的电流矢量的磁通量和转矩分量是从馈送给每个电相位的电流和转子磁通位置获得的,其在大部分描述中采用符号theta算法。这种结构适用于一系列电机。逆帕克变换被用来产生电压输出,然后用于控制三相中的每一个的功率的算法中。整体结构如图1所示。
用于磁场定向控制的变换和控制块的基本配置的图像
通过简单地改变磁通基准和获得转子磁通位置,可以使用相同的磁芯结构来控制同步电机和感应电机。在同步永磁电机中,转子磁通是固定的,因为它由永磁体确定。感应电动机需要创建转子磁通才能起作用,所以这被作为非零值并入到磁通参考中。
磁场定向控制成功的关键是实时预测转子磁通位置。这种控制策略是复杂的。在交流感应电机内部,转子的转速与驱动其旋转的磁通量的速度不匹配。转子倾向于滞后,导致差异被称为滑动速度。在以前的方案中,电机制造商使用传感器来分析转子位置,但这会导致不必要的额外成本。在实践中,可以使用电机内部产生的电压和电流的反馈来补偿滑差。
许多系统使用测量的反电动势来估计转子打滑。反电动势电压的大小与转子的速度成正比。但是,直接使用此输入会导致速度低或停顿时出现问题,并且估计初始位置并不容易。从未知的转子位置开始,可能会导致电机意外地反转一小段距离,或导致电机完全启动失败。简单采样反电动势的另一个缺点是它对定子电阻的敏感性,定子电阻容易随温度而变化。
基于间接模型的方案提供更高的性能。计算开销和性能之间存在很大的折衷,但总的来说,通过使用更复杂的基于模型的算法可以提高效率,特别是在低速下?;诩浣幽P偷姆桨富诳捎玫拇衅鞫潦垂兰普庑┓桨傅氖凳敝怠?br />
与反电动势估算一样,核心问题是确定电动机的起点。一种解决方案是从初始状态的估计开始,根据该初始状态可以导出预测输出的向量,将其与测量的输出向量进行比较。这个差别用于修正模型的内部状态向量。但是,噪音会破坏模型的稳定性。
扩展卡尔曼滤波器可以补偿噪声和突发干扰的影响??ǘ瞬ㄆ鞯奶逑到峁故沟帽蝗衔哂薪系筒蝗范ㄐ缘母卤桓秤璞缺还兰凭哂薪洗蟛蝗范ㄐ缘母叩娜ㄖ?。滤波器递归地工作,使得每个估计仅需要一组新的读数和滤波器的先前状态以产生新的状态。
卡尔曼滤波器采用两个主要阶段:预测和更新。在预测阶段,滤波器根据先前的状态计算系统的下一个状态,在运动算法的情况下,该状态提供最后已知的速度和加速度值。由此,过滤器计算当前位置的预测。
在更新阶段,将新采样的电压和电流值与其预测值进行比较。输入数据越接近预测,错误概率越低。该误差概率反馈到卡尔曼滤波器增益中。在算法级别,卡尔曼滤波器依赖于一些矩阵乘法和倒置。因此,在电机控制中实施扩展卡尔曼滤波器的关键在于高算术性能,这与场定向控制的其他方面一致。
为了在实时电机控制情况下实现每秒所需的许多算术运算,需要高性能的MCU或DSP。德州仪器(TI)生产的TMS320F2833x系列器件专为处理交流电机应用的典型计算负载而开发,并由各种片上外设提供支持,以帮助与电源转换电子器件集成。
TMS320F2833x采用高性能32位CPU构建,支持浮点运算,符合单精度算术的IEEE754标准。通过实现符合IEEE标准的浮点单元,TMS320F2833x简化了算法开发,因为它处理的数字范围非???,并且内置了对非数字(NaN)和零除条件等错误的支持。与双16&TImes;16乘法累加(MAC)单元相结合的哈佛架构为矩阵和基于投影的操作提供了高吞吐量。为了获得更高的精度,单元可以连接在一起以执行32 x 32 MAC。片上外设包括一个16通道模数转换器(ADC),用于对电机的电压和电流反馈信号进行采样。
作为C2000系列DSP增强型MCU的成员,TMS320F2833x得到了TI数字电机控制库的支持,该库提供了可重复使用的可配置软件模块,以实施各种控制策略。该库由表示为块的功能组成,除了用于闭环操作的控制块外,还提供诸如Clarke和Park之类的变换,以及用于诸如脉宽调制(PWM)等功能的外围驱动器。
在电机控制情况下,PWM输出控制六个功率晶体管,它们共同为三个电相提供电压和电流。每个阶段使用半桥晶体管配置。在这些情况下用于控制的常用算法是空间矢量PWM。与简单的PWM技术相比,这减少了谐波,并采用八个开关状态。有六个活动状态和两个零状态,每个状态都是八个相应空间矢量的目标状态。这些状态以这样的方式排列,即任何时候两组互补状态都是有效的。一组用于三个高端功率晶体管,另一组用于低端。该算法循环通过状态以根据场定向控制模型的要求将功率切换到状态。TMS320F2833x包含适用于采用空间矢量切换的软件控制的PWM硬件。18个总PWM输出中的6个支持高精度控制,分辨率为150 ps。其结果是一个数字控制器,需要相对较少的外部硬件来管理功率晶体管,如图2所示。
F2833x PWM输出控制电源相位的框图
结论
利用具有必要核心和高性能构建??榈奈⒖刂破饕约癟I数字电机控制库,设计人员准备推出新一代高效交流电机。
转载请说明来自西安泰富西玛电机(西安西玛电机集团股份有限公司)官方网站:http://m.qp8l.cn/zixun/hangyedongtai169.html
目前使用的最简单的控制技术是每赫兹伏特。这在概念上既简单又容易在基本的微控制器上实现。核心算法充分利用了交流电机设计的核心特性。每个电机都有一个特性磁化电流和一个最终的磁通量和转矩。这些属性通过伏特每赫兹比率相关。电机通过布置在移动转子周围的定子线圈的转换来转动机械负载。线圈之间的切换迫使转子的磁化元件同情地转动到磁场保持平衡的稳定状态。
线圈切换频率的增加反过来会提高速度。但是,如果供应的电能没有相应增加,则施加的转矩会下降。伏特每赫兹的控制提供了一个简单的方法来解决这个问题,通过增加线路电压来提高频率,使扭矩可以保持在一个恒定的水平。不幸的是,这种关系在低速下不是特别一致。需要更高的电压以在低速下保持高转矩,但效率下降并增加了线圈饱和和过热的可能性。
磁场定向控制提供了一种优化电机控制的方法,特别是在低速情况下,并且还可以使电机的定位控制更精确。这增加了整个交流电机的应用范围,这有助于降低工业机械的成本以及运营成本。
在磁场定向或磁通矢量控制中,速度和扭矩之间的关系由伏特每赫兹控制所打破。磁场定向控制的思想可以用直流电机的模型来表达,其中提供给定子和转子的电流是独立的。在这个模型中,扭矩和产生的流量可以独立控制。由电流产生的电机组内部的场强决定了磁通量。提供给转子中的电磁线圈的电流控制转矩 - 当磁场试图使自己进入稳定状态时。
直流电动机在转子上使用换向器,该换向器执行控制定子上的哪些线圈在任何时间都被激励的工作。换向器的设计使得电流切换到机械对齐的绕组,从而在该点产生最大转矩。结果,绕组的管理方式使得磁通量变化,以保持转子绕组与定子中产生的磁场正交。
在交流电机中,只有定子电流受到直接控制。转子通常使用永磁体来提供其领域。这意味着通量和扭矩依赖于相同的电流。但是,面向场的控制提供了几乎独立操纵它们的能力。实际上,定子磁通被动态地控制以提供独立操纵转矩的能力。通常,定子线圈可以被驱动,以便它们或者产生转矩或者沿着定子轴施加力,这是一种不影响旋转的模式。这些方向分别是正交轴和直接轴。为了运动,每个线圈依次被驱动以产生高正交力。
几个数学变换被用来提供改变电流和电压的能力来解耦扭矩和通量。在磁场定向控制下,流过定子不同部分的电流由矢量表示。矩阵投影将三相时间和速度相关系统转换为两个坐标时间不变系统。通常使用分别表示通量和转矩分量的符号d和q来描述坐标。在(d,q)参考系中,施加的转矩与转矩分量呈线性关系。
在磁场定向控制下,从电机接收电信号并将其结合到(d,q)坐标模型中。该模型通常相对于转子进行计算,使得计算所需流量更加容易。用于计算的典型方法是对Clarke和Park变换进行配对。
克拉克变换将来自不同相位的电流(通常为三个),并用它们来估计笛卡尔坐标系中的电流。这些系统的轴使用符号α和β而不是传统的x和y来减少与空间坐标系混淆的可能性。然后将这些应用于Park变换以提供在旋转(d,q)坐标系中看到的当前矢量。三角函数提供了转换的核心,需要使用微控制器或数字信号处理器(DSP)。
通过Clarke和Park变换,(d,q)空间中的电流矢量的磁通量和转矩分量是从馈送给每个电相位的电流和转子磁通位置获得的,其在大部分描述中采用符号theta算法。这种结构适用于一系列电机。逆帕克变换被用来产生电压输出,然后用于控制三相中的每一个的功率的算法中。整体结构如图1所示。
用于磁场定向控制的变换和控制块的基本配置的图像
图1:用于磁场定向控制的变换和控制块的基本配置。
通过简单地改变磁通基准和获得转子磁通位置,可以使用相同的磁芯结构来控制同步电机和感应电机。在同步永磁电机中,转子磁通是固定的,因为它由永磁体确定。感应电动机需要创建转子磁通才能起作用,所以这被作为非零值并入到磁通参考中。
磁场定向控制成功的关键是实时预测转子磁通位置。这种控制策略是复杂的。在交流感应电机内部,转子的转速与驱动其旋转的磁通量的速度不匹配。转子倾向于滞后,导致差异被称为滑动速度。在以前的方案中,电机制造商使用传感器来分析转子位置,但这会导致不必要的额外成本。在实践中,可以使用电机内部产生的电压和电流的反馈来补偿滑差。
许多系统使用测量的反电动势来估计转子打滑。反电动势电压的大小与转子的速度成正比。但是,直接使用此输入会导致速度低或停顿时出现问题,并且估计初始位置并不容易。从未知的转子位置开始,可能会导致电机意外地反转一小段距离,或导致电机完全启动失败。简单采样反电动势的另一个缺点是它对定子电阻的敏感性,定子电阻容易随温度而变化。
基于间接模型的方案提供更高的性能。计算开销和性能之间存在很大的折衷,但总的来说,通过使用更复杂的基于模型的算法可以提高效率,特别是在低速下?;诩浣幽P偷姆桨富诳捎玫拇衅鞫潦垂兰普庑┓桨傅氖凳敝怠?br />
与反电动势估算一样,核心问题是确定电动机的起点。一种解决方案是从初始状态的估计开始,根据该初始状态可以导出预测输出的向量,将其与测量的输出向量进行比较。这个差别用于修正模型的内部状态向量。但是,噪音会破坏模型的稳定性。
扩展卡尔曼滤波器可以补偿噪声和突发干扰的影响??ǘ瞬ㄆ鞯奶逑到峁故沟帽蝗衔哂薪系筒蝗范ㄐ缘母卤桓秤璞缺还兰凭哂薪洗蟛蝗范ㄐ缘母叩娜ㄖ?。滤波器递归地工作,使得每个估计仅需要一组新的读数和滤波器的先前状态以产生新的状态。
卡尔曼滤波器采用两个主要阶段:预测和更新。在预测阶段,滤波器根据先前的状态计算系统的下一个状态,在运动算法的情况下,该状态提供最后已知的速度和加速度值。由此,过滤器计算当前位置的预测。
在更新阶段,将新采样的电压和电流值与其预测值进行比较。输入数据越接近预测,错误概率越低。该误差概率反馈到卡尔曼滤波器增益中。在算法级别,卡尔曼滤波器依赖于一些矩阵乘法和倒置。因此,在电机控制中实施扩展卡尔曼滤波器的关键在于高算术性能,这与场定向控制的其他方面一致。
为了在实时电机控制情况下实现每秒所需的许多算术运算,需要高性能的MCU或DSP。德州仪器(TI)生产的TMS320F2833x系列器件专为处理交流电机应用的典型计算负载而开发,并由各种片上外设提供支持,以帮助与电源转换电子器件集成。
TMS320F2833x采用高性能32位CPU构建,支持浮点运算,符合单精度算术的IEEE754标准。通过实现符合IEEE标准的浮点单元,TMS320F2833x简化了算法开发,因为它处理的数字范围非???,并且内置了对非数字(NaN)和零除条件等错误的支持。与双16&TImes;16乘法累加(MAC)单元相结合的哈佛架构为矩阵和基于投影的操作提供了高吞吐量。为了获得更高的精度,单元可以连接在一起以执行32 x 32 MAC。片上外设包括一个16通道模数转换器(ADC),用于对电机的电压和电流反馈信号进行采样。
作为C2000系列DSP增强型MCU的成员,TMS320F2833x得到了TI数字电机控制库的支持,该库提供了可重复使用的可配置软件模块,以实施各种控制策略。该库由表示为块的功能组成,除了用于闭环操作的控制块外,还提供诸如Clarke和Park之类的变换,以及用于诸如脉宽调制(PWM)等功能的外围驱动器。
在电机控制情况下,PWM输出控制六个功率晶体管,它们共同为三个电相提供电压和电流。每个阶段使用半桥晶体管配置。在这些情况下用于控制的常用算法是空间矢量PWM。与简单的PWM技术相比,这减少了谐波,并采用八个开关状态。有六个活动状态和两个零状态,每个状态都是八个相应空间矢量的目标状态。这些状态以这样的方式排列,即任何时候两组互补状态都是有效的。一组用于三个高端功率晶体管,另一组用于低端。该算法循环通过状态以根据场定向控制模型的要求将功率切换到状态。TMS320F2833x包含适用于采用空间矢量切换的软件控制的PWM硬件。18个总PWM输出中的6个支持高精度控制,分辨率为150 ps。其结果是一个数字控制器,需要相对较少的外部硬件来管理功率晶体管,如图2所示。
F2833x PWM输出控制电源相位的框图
图2:框图,显示了F2833x的PWM输出对功率相位的控制。
结论
利用具有必要核心和高性能构建??榈奈⒖刂破饕约癟I数字电机控制库,设计人员准备推出新一代高效交流电机。
转载请说明来自西安泰富西玛电机(西安西玛电机集团股份有限公司)官方网站:http://m.qp8l.cn/zixun/hangyedongtai169.html
以上内容由西安泰富西玛电机(西安西玛电机集团股份有限公司)网络编辑部收集整理发布,仅为传播更多电机行业相关资讯及电机相关知识,仅供网友、用户、及广大经销商参考之用,不代表西安泰富西玛电机同意或默认以上内容的正确性和有效性。读者根据本文内容所进行的任何商业行为,西安泰富西玛电机不承担任何连带责任。如果以上内容不实或侵犯了您的知识产权,请及时与我们联系,西安泰富西玛电机网络部将及时予以修正或删除相关信息。
- 上一篇: 五年内EV电机的技术制高点在哪里?
- 下一篇: 绿色发展可以帮助电机厂家解决利润问题
他们还浏览了...
- 2022-5-22绿色发展可以帮助电机厂家解决利润问题
- 2022-5-14需要更换高效节能的电机的必要性分析!
- 2022-5-4旧的“以大代小”西玛电机有很多限制
- 2022-3-27高压电机的一些固有优势注定会得到市场的认可和青睐!
- 2022-3-6为什么要用高压电机来替代大功率电机?
- 2018-4-13五年内EV电机的技术制高点在哪里?
- 2018-4-9电机如何用物联网为传统应用加持?
- 2018-3-28特朗普拟对中国电机行业征收关税。
- 2018-3-25论新能源汽车驱动电机绕组制造装备技术研发与推广。
- 2018-3-25国内外驱动电机有什么区别,熟优熟劣?
行业资讯
电机风罩的工作原理及其用途。
高压电机轴磨损维修的详细流程
三相异步电动机安装步骤以及西玛电机的故障检查
西玛电机接线中最常见的几种错误
绿色发展可以帮助电机厂家解决利润问题
高效节能电机过热原因分析
需要更换高效节能的电机的必要性分析!
西安西玛电机频率和速度之间的数学关系
高压电机轴磨损维修的详细流程
三相异步电动机安装步骤以及西玛电机的故障检查
西玛电机接线中最常见的几种错误
绿色发展可以帮助电机厂家解决利润问题
高效节能电机过热原因分析
需要更换高效节能的电机的必要性分析!
西安西玛电机频率和速度之间的数学关系
西安西玛电机举办“迎国庆”员工趣味运动项目比
关于西安西玛电机的工作制,大家了解一下。
西安西玛电机工会庆祝3月8日的评选颁奖活动。
西安西玛电机向在抗击疫情前线的工作人员们致敬
西安西玛电机职工安全生产知识宣传教育工作全面
西安泰富西玛电机亮相第27届中国西部国际装备
西安泰富西玛电机将高效节能三相异步电动机作为
西安西玛电机始终坚持诚信销售的理念。
关于西安西玛电机的工作制,大家了解一下。
西安西玛电机工会庆祝3月8日的评选颁奖活动。
西安西玛电机向在抗击疫情前线的工作人员们致敬
西安西玛电机职工安全生产知识宣传教育工作全面
西安泰富西玛电机亮相第27届中国西部国际装备
西安泰富西玛电机将高效节能三相异步电动机作为
西安西玛电机始终坚持诚信销售的理念。
泰富西玛电机
配套电柜
电机配件
YKK系列高压三相异步电机西安泰富西玛YKK系列(H355-1000)高压三相异步电机可作驱动
Y2系列紧凑型高压异步电机西安泰富西玛?Y2系列(H355-560)6KV紧凑型高压异步电机可
YE3系列高效节能电机西安泰富西玛电机生产的YE3系列高效节能电机达到了国标二级能效标准,
Z4系列直流电机西安泰富西玛Z4系列直流电动机比Z2、Z3系列具有更大的优越性,它不
Z2系列小型直流电机西安泰富西玛Z2系列电机为一般工业用小型直流电机,其电动机适用于恒功
ZTP型铁路机车动车用直流辅助西安泰富西玛ZTP系列西玛电机应能满足铁路机车动车用直流辅助电机通用



西安西玛电机紧跟电机行业的发展趋势,了解电机市场动态,制定出西玛电机的发展规划,稳步前行。
随着国家节能减排的积极推行,新能源汽车产业快速增长及高效节能电机补贴政策的逐步落实,高效节能电机业将迎来爆发式的增长。
西玛电机售后维修业务有:轴料加工件、钢板切割、焊接件、高压机壳、冷却器、上下罩、高、低压交直流电机;国内、外电机的修理、维护和试验。
质量为本,用户至上”是我公司一贯宗旨?!俺闲?、贴心、倾心、西玛永远用心”的“三心”服务理念。
西安泰富西玛电机(西安西玛电机集团股份有限公司)是国内九大的电机供应商之一,产品包括各种高低压、交直流、高压同步电机等。















