H桥式电机驱动电路工作原理。
内容简介:H型桥式驱动器有着广泛的应用,如磁盘驱动、点秒机、汽车电子、伺服系统、玩具等等。这种驱动器在单电源情况下可以提供双向输出--由逻辑IC或微控制器进行控制。综通常使用2个NPN和2个PNP晶体管。如果接通一个NPN晶体管和对角线的PNP晶体管(比舅NPN1和PNP1),则实际上所有的上加电压都将加到电机负载上。
以前,如果表面安装产品设计师需要高于几百毫安电流的话,就不得不采用体积较大的穿孔器件就是价格较高的SOT89,SOT223和D-PAK封装的表面安装晶体管。随着Zetex FMMT718和FMMT719系列NPN,PNP双极晶体管的推出,SOT23封装器件也可以驱动峰值电流达到6A,工作电流达到2.5A的负载了。这些SuperSOT器件具有很多优点,例如显着提高电路效率,节省器件数量和空间,提高可靠性??梢运?,这些最先进器件的性能超过了现有的所有SOT23器件和许多SOT89及SOT223器件。
H型桥式驱动器有着广泛的应用,如磁盘驱动、点秒机、汽车电子、伺服系统、玩具等等。这种驱动器在单电源情况下可以提供双向输出--由逻辑IC或微控制器进行控制。综通常使用2个NPN和2个PNP晶体管。所有晶体管都是发射极接地(见图1)。如果接通一个NPN晶体管和对角线的PNP晶体管(比舅NPN1和PNP1),则实际上所有的上加电压都将加到电机负载上。接通另一对晶体管则使负载上的电压方向相反。H型桥式晶体管常常要求附加的集电极-发射极?;ざ埽苑乐垢涸氐缁赡懿乃蔡缌骱头蠢〉缌魉鸹稻骞?。
在电池供电的情况中,关键是使电源电压尽可能全部通过负载,以使通过提高效率和使最低可用电压减小来延长电池寿命,图2所示的桥式电路可以提供1.5A的负载电流。通过基极电阻就可以很容易的调整电流(对PNP,将IB设定到最大电流的1/50,对NPN管IB设定为1/100)。电流为1.5A时,无论NPN或PNP管的饱和压降都仅为0.3V,电流更小时,饱和压降将再将低一半。
通过低饱和损耗和低基极驱动电平,FMMT618/718可以提高电机的性能和寿命。因为它们的反负hFE足够高,能够导通反馈电流和瞬态电流,通常不通需要并联保护二极管。使用体积小的SOT23封装和少的器件数量意味着减少PCB的面积和降低成本。
一、H桥式电机驱动电路
如图所示,H桥式电机驱动电路包括4个三极管和一个电机。要使电机运转,必须导通对角线上的一对三极管。根据不同三极管对的导通情况,电流可能会从左至右或从右至左流过电机,从而控制电机的转向。
要使电机运转,必须使对角线上的一对三极管导通。例如,如图2所示,当Q1管和Q4管导通时,电流就从电源正极经Q1从左至右穿过电机,然后再经Q4回到电源负极。按图中电流箭头所示,该流向的电流将驱动电机顺时针转动。
当三极管Q1和Q4导通时,电流将从左至右流过电机,从而驱动电机按特定方向转动(电机周围的箭头指示为顺时针方向)。
图3所示为另一对三极管Q2和Q3导通的情况,电流将从右至左流过电机。
当三极管Q2和Q3导通时,电流将从右至左流过电机,从而驱动电机沿另一方向转动(电机周围的箭头表示为逆时针方向)。
二、使能控制和方向逻辑
驱动电机时,保证H桥上两个同侧的三极管不会同时导通非常重要。如果三极管Q1和Q2同时导通,那么电流就会从正极穿过两个三极管直接回到负极。此时,电路中除了三极管外没有其他任何负载,因此电路上的电流就可能达到最大值(该电流仅受电源性能限制),甚至烧坏三极管。
基于上述原因,在实际驱动电路中通常要用硬件电路方便地控制三极管的开关。
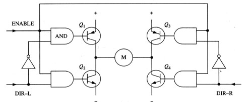
图4所示就是基于这种考虑的改进电路,它在基本H桥电路的基础上增加了4个与门和2个非门。4个与门同一个“使能”导通信号相接,这样,用这一个信号就能控制整个电路的开关。而2个非门通过提供一种方向输人,可以保证任何时候在H桥的同侧腿上都只有一个三极管能导通。(与本节前面的示意图一样,图4.15所示也不是一个完整的电路图,特别是图中与门和三极管直接连接是不能正常工作的。)
采用以上方法,电机的运转就只需要用三个信号控制:两个方向信号和一个使能信号。如果DIR-L信号为0,DIR-R信号为1,并且使能信号是1,那么三极管Q1和Q4导通,电流从左至右流经电机(如图5所示);如果DIR-L信号变为1,而DIR-R信号变为0,那么Q2和Q3将导通,电流则反向流过电机。
实际使用的时候,用分立件制作H桥式是很麻烦的,好在现在市面上有很多封装好的H桥集成电路,接上电源、电机和控制信号就可以使用了,在额定的电压和电流内使用非常方便可靠。比如常用的L293D、L298N、TA7257P、SN754410等。
转载请说明来自西安泰富西玛电机(西安西玛电机集团股份有限公司)官方网站:http://m.qp8l.cn/zixun/dianjibaike108.html
H型桥式驱动器有着广泛的应用,如磁盘驱动、点秒机、汽车电子、伺服系统、玩具等等。这种驱动器在单电源情况下可以提供双向输出--由逻辑IC或微控制器进行控制。综通常使用2个NPN和2个PNP晶体管。所有晶体管都是发射极接地(见图1)。如果接通一个NPN晶体管和对角线的PNP晶体管(比舅NPN1和PNP1),则实际上所有的上加电压都将加到电机负载上。接通另一对晶体管则使负载上的电压方向相反。H型桥式晶体管常常要求附加的集电极-发射极?;ざ埽苑乐垢涸氐缁赡懿乃蔡缌骱头蠢〉缌魉鸹稻骞?。
在电池供电的情况中,关键是使电源电压尽可能全部通过负载,以使通过提高效率和使最低可用电压减小来延长电池寿命,图2所示的桥式电路可以提供1.5A的负载电流。通过基极电阻就可以很容易的调整电流(对PNP,将IB设定到最大电流的1/50,对NPN管IB设定为1/100)。电流为1.5A时,无论NPN或PNP管的饱和压降都仅为0.3V,电流更小时,饱和压降将再将低一半。
通过低饱和损耗和低基极驱动电平,FMMT618/718可以提高电机的性能和寿命。因为它们的反负hFE足够高,能够导通反馈电流和瞬态电流,通常不通需要并联保护二极管。使用体积小的SOT23封装和少的器件数量意味着减少PCB的面积和降低成本。
一、H桥式电机驱动电路
图1中所示为一个典型的直流电机控制电路。电路得名于“H桥式驱动电路”是因为它的形状酷似字母H。4个三极管组成H的4条垂直腿,而电机就是H中的横杠(注意:图1及随后的两个图都只是示意图,而不是完整的电路图,其中三极管的驱动电路没有画出来)。
在电路设计当中,全桥的作用非常重要,当桥式整流电路当中的四个二极管封装在一起时就构成了全桥电路,而全桥电路实际上就是我们常说的H桥电路。本篇文章将主要介绍H桥电机驱动的工作原理,从逆时针和顺时针两个方面来进行全面的分析。
如图所示,H桥式电机驱动电路包括4个三极管和一个电机。要使电机运转,必须导通对角线上的一对三极管。根据不同三极管对的导通情况,电流可能会从左至右或从右至左流过电机,从而控制电机的转向。
图1 H桥式电机驱动电路
要使电机运转,必须使对角线上的一对三极管导通。例如,如图2所示,当Q1管和Q4管导通时,电流就从电源正极经Q1从左至右穿过电机,然后再经Q4回到电源负极。按图中电流箭头所示,该流向的电流将驱动电机顺时针转动。
当三极管Q1和Q4导通时,电流将从左至右流过电机,从而驱动电机按特定方向转动(电机周围的箭头指示为顺时针方向)。
图2 H桥电路驱动电机顺时针转动
图3所示为另一对三极管Q2和Q3导通的情况,电流将从右至左流过电机。
当三极管Q2和Q3导通时,电流将从右至左流过电机,从而驱动电机沿另一方向转动(电机周围的箭头表示为逆时针方向)。
图3 H桥电路驱动电机逆时针转动
二、使能控制和方向逻辑
驱动电机时,保证H桥上两个同侧的三极管不会同时导通非常重要。如果三极管Q1和Q2同时导通,那么电流就会从正极穿过两个三极管直接回到负极。此时,电路中除了三极管外没有其他任何负载,因此电路上的电流就可能达到最大值(该电流仅受电源性能限制),甚至烧坏三极管。
基于上述原因,在实际驱动电路中通常要用硬件电路方便地控制三极管的开关。
图4所示就是基于这种考虑的改进电路,它在基本H桥电路的基础上增加了4个与门和2个非门。4个与门同一个“使能”导通信号相接,这样,用这一个信号就能控制整个电路的开关。而2个非门通过提供一种方向输人,可以保证任何时候在H桥的同侧腿上都只有一个三极管能导通。(与本节前面的示意图一样,图4.15所示也不是一个完整的电路图,特别是图中与门和三极管直接连接是不能正常工作的。)
图4 具有使能控制和方向逻辑的H桥电路
采用以上方法,电机的运转就只需要用三个信号控制:两个方向信号和一个使能信号。如果DIR-L信号为0,DIR-R信号为1,并且使能信号是1,那么三极管Q1和Q4导通,电流从左至右流经电机(如图5所示);如果DIR-L信号变为1,而DIR-R信号变为0,那么Q2和Q3将导通,电流则反向流过电机。
图5 使能信号与方向信号的使用
实际使用的时候,用分立件制作H桥式是很麻烦的,好在现在市面上有很多封装好的H桥集成电路,接上电源、电机和控制信号就可以使用了,在额定的电压和电流内使用非常方便可靠。比如常用的L293D、L298N、TA7257P、SN754410等。
转载请说明来自西安泰富西玛电机(西安西玛电机集团股份有限公司)官方网站:http://m.qp8l.cn/zixun/dianjibaike108.html
以上内容由西安泰富西玛电机(西安西玛电机集团股份有限公司)网络编辑部收集整理发布,仅为传播更多电机行业相关资讯及电机相关知识,仅供网友、用户、及广大经销商参考之用,不代表西安泰富西玛电机同意或默认以上内容的正确性和有效性。读者根据本文内容所进行的任何商业行为,西安泰富西玛电机不承担任何连带责任。如果以上内容不实或侵犯了您的知识产权,请及时与我们联系,西安泰富西玛电机网络部将及时予以修正或删除相关信息。
- 上一篇: 步进电机的速度控制及运动规律。
- 下一篇: 电机风罩的工作原理及其用途。
他们还浏览了...
- 2022-7-3电机风罩的工作原理及其用途。
- 2022-5-14高效节能电机过热原因分析
- 2022-4-17多大功率的电机才需要降压启动?
- 2022-4-10如何看懂电机的型号?
- 2022-4-10电机维修期间应考虑什么?
- 2018-3-5步进电机的速度控制及运动规律。
- 2018-3-4三相异步电动机运行中的监视方法。
- 2018-3-2调制器提高运动控制效率设计方案介绍。
- 2018-3-2开关磁阻电机的特点及应用。
- 2018-3-1电机维修中错误的操作带来的危害性。
行业资讯
电机风罩的工作原理及其用途。
高压电机轴磨损维修的详细流程
三相异步电动机安装步骤以及西玛电机的故障检查
西玛电机接线中最常见的几种错误
绿色发展可以帮助电机厂家解决利润问题
高效节能电机过热原因分析
需要更换高效节能的电机的必要性分析!
西安西玛电机频率和速度之间的数学关系
高压电机轴磨损维修的详细流程
三相异步电动机安装步骤以及西玛电机的故障检查
西玛电机接线中最常见的几种错误
绿色发展可以帮助电机厂家解决利润问题
高效节能电机过热原因分析
需要更换高效节能的电机的必要性分析!
西安西玛电机频率和速度之间的数学关系
西安西玛电机举办“迎国庆”员工趣味运动项目比
关于西安西玛电机的工作制,大家了解一下。
西安西玛电机工会庆祝3月8日的评选颁奖活动。
西安西玛电机向在抗击疫情前线的工作人员们致敬
西安西玛电机职工安全生产知识宣传教育工作全面
西安泰富西玛电机亮相第27届中国西部国际装备
西安泰富西玛电机将高效节能三相异步电动机作为
西安西玛电机始终坚持诚信销售的理念。
关于西安西玛电机的工作制,大家了解一下。
西安西玛电机工会庆祝3月8日的评选颁奖活动。
西安西玛电机向在抗击疫情前线的工作人员们致敬
西安西玛电机职工安全生产知识宣传教育工作全面
西安泰富西玛电机亮相第27届中国西部国际装备
西安泰富西玛电机将高效节能三相异步电动机作为
西安西玛电机始终坚持诚信销售的理念。
泰富西玛电机
配套电柜
电机配件
YKK系列高压三相异步电机西安泰富西玛YKK系列(H355-1000)高压三相异步电机可作驱动
Y2系列紧凑型高压异步电机西安泰富西玛?Y2系列(H355-560)6KV紧凑型高压异步电机可
YE3系列高效节能电机西安泰富西玛电机生产的YE3系列高效节能电机达到了国标二级能效标准,
Z4系列直流电机西安泰富西玛Z4系列直流电动机比Z2、Z3系列具有更大的优越性,它不
Z2系列小型直流电机西安泰富西玛Z2系列电机为一般工业用小型直流电机,其电动机适用于恒功
ZTP型铁路机车动车用直流辅助西安泰富西玛ZTP系列西玛电机应能满足铁路机车动车用直流辅助电机通用



西安西玛电机紧跟电机行业的发展趋势,了解电机市场动态,制定出西玛电机的发展规划,稳步前行。
随着国家节能减排的积极推行,新能源汽车产业快速增长及高效节能电机补贴政策的逐步落实,高效节能电机业将迎来爆发式的增长。
西玛电机售后维修业务有:轴料加工件、钢板切割、焊接件、高压机壳、冷却器、上下罩、高、低压交直流电机;国内、外电机的修理、维护和试验。
质量为本,用户至上”是我公司一贯宗旨。“诚心、贴心、倾心、西玛永远用心”的“三心”服务理念。
西安泰富西玛电机(西安西玛电机集团股份有限公司)是国内九大的电机供应商之一,产品包括各种高低压、交直流、高压同步电机等。


















